Hệ thống nhiên liệu LPG và công nghệ giảm rung là hai yếu tố đóng vai trò then chốt trong việc nâng cao hiệu quả vận hành và trải nghiệm người lái xe nâng. Với mục tiêu tối ưu hóa năng suất làm việc, tăng độ bền và đảm bảo an toàn vận hành trong môi trường công nghiệp khắc nghiệt, Toyota đã liên tục cải tiến các chi tiết kỹ thuật trên dòng xe nâng LPG của mình. Bài viết dưới đây sẽ phân tích chi tiết các cải tiến nổi bật về hệ thống nhiên liệu, giá đỡ bình LPG, ghế xoay, tay nắm điều khiển phía sau và đặc biệt là hệ thống giảm rung cho càng nâng – tất cả đều góp phần giúp Toyota khẳng định vị thế dẫn đầu trong ngành xe nâng toàn cầu.
1. Cải tiến hệ thống nhiên liệu LPG – Giải pháp tối ưu cho hiệu suất và độ bền
Toyota đã thực hiện một loạt cải tiến quan trọng trong hệ thống nhiên liệu LPG nhằm nâng cao hiệu quả hoạt động và độ bền động cơ, đặc biệt phù hợp với điều kiện môi trường khắc nghiệt như tại Úc và New Zealand. Một số cải tiến nổi bật bao gồm:
1.1 Phân tách bộ điều áp, van điện và bộ lọc nhiên liệu
Thay vì tích hợp như trước, các thành phần này được bố trí tách biệt giúp:
-
Tăng hiệu quả tản nhiệt trong điều kiện nhiệt độ cao.
-
Giảm hiện tượng truyền nhiệt không mong muốn từ bộ lọc tới van điện.
-
Hạn chế gia tăng điện trở trong cuộn dây van – nguyên nhân phổ biến gây lỗi khởi động nóng.
![]()
sơ đồ của bộ điều áp
1.2 Giảm bám dính cặn tar và nhiên liệu hóa hơi
Hệ thống mới có khả năng ngăn hiện tượng cặn tar tích tụ – vốn thường gặp trong LPG ở Úc. Giải pháp này làm giảm tần suất vệ sinh, tăng tuổi thọ các bộ phận và giúp xe khởi động ổn định trong điều kiện thực tế.
![]()
hệ thống đường ống LPG
1.3 Tùy chỉnh theo thị trường
Toyota cung cấp cấu hình LPG phù hợp với từng quốc gia, bao gồm:
-
Bộ lọc hiệu suất cao (High-performance filter)
-
Van cắt LPG cảm biến tốc độ (Engine-speed sensing LPG cutoff device)
-
Van an toàn áp suất cao
-
Cảnh báo cạn LPG (LPG remaining fuel warning device)
Bảng minh họa:
| Quốc gia | Van cắt LPG tốc độ | Bộ lọc hiệu suất cao | Cảnh báo cạn nhiên liệu |
|---|---|---|---|
| Úc | Có (Main & Slow) | Có | Có |
| Nga | Có (Main & Slow) | Không | Không |
| New Zealand | Có (Main & Slow) | Có | Không |
2. Giá đỡ bình LPG – Đa dạng loại bracket phù hợp nhiều kích cỡ bình
2.1 Phân loại bracket theo model
Tùy vào kích thước xe nâng (1-3.5 tấn hay 5.0–8.0 tấn), các loại giá đỡ bình LPG sẽ khác nhau:
| Loại xe nâng | Loại Bracket | Kích thước bình LPG (mm) |
|---|---|---|
| 8FG10-35 | A, B, C | Φ306 × 725 hoặc Φ306 × 805 |
| 8FG35-80 | A, B, C | Φ306 × 725 hoặc Φ306 × 805 |
| 8FG35-50 (Nga) | D | Φ306 × 805 |
Các loại bracket đều có cơ chế "swing down" giúp thao tác thay bình dễ dàng và an toàn hơn.
2.2 Thiết kế cải tiến
![]()
minh họa bình LPG đúc vuông góc với thân xe
-
Loại B có thêm “Coupling holder” giúp giữ chặt đầu nối.
-
Loại C có “Container stopper” để cố định bình khi rung động.
3. Hệ thống ghế xoay – Tối ưu tầm nhìn và giảm mỏi khi vận hành
3.1 Swivel Seat [G41F]
Đây là một cải tiến đột phá dành cho người vận hành thường xuyên di chuyển lùi khi làm việc trong kho hẹp hoặc xếp dỡ trong container.
Thông số xoay ghế:
-
Xoay phải (khi lùi): 17.5°
-
Xoay trái (vị trí ra khỏi xe): 20°
-
Chiều cao ghế tăng 25mm so với ghế tiêu chuẩn
3.2 An toàn khi sử dụng
Ghế có chỉ báo khu vực nguy hiểm (entanglement-danger indicator) giúp người vận hành tránh đặt tay vào khu vực chuyển động xoay khi ghế đang hoạt động.
4. Cải tiến tay nắm sau và nút còi – Hỗ trợ vận hành lùi an toàn hơn
4.1 Rear-pillar Assist Grip [L37A]
Được gắn phía sau xe, tay nắm hỗ trợ kết hợp với nút còi giúp người điều khiển có thể bấm còi mà không cần thay đổi tư thế khi vận hành lùi. Tăng hiệu quả cảnh báo và giữ ổn định tay lái cho các loại xe nâng và xe nâng điện
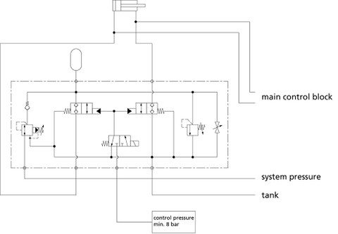
5. Bộ giảm rung thủy lực càng nâng – Fork Vibration Damper [M82A]
5.1 Cấu tạo
Hệ thống gồm bộ tích áp (Accumulator) kết nối với xy-lanh nâng và van điều khiển dầu (Oil Control Valve). Khi càng nâng truyền rung từ sàn xe lên tải, tích áp hấp thụ rung động và giảm chấn.
![]()
5.2 Hiệu quả giảm rung
Biểu đồ cho thấy mức rung động tại giá đỡ càng nâng giảm mạnh khi dùng bộ tích áp:
| Tải trọng | Tốc độ (km/h) | Mức rung (mm) | Giảm bao nhiêu? |
|---|---|---|---|
| Không tải | 10 km/h | Từ 6.15mm xuống 3.73mm | Giảm ~40% |
| Tải nhẹ 12% | 10 km/h | Từ 11.73mm xuống 3.22mm | Giảm ~72% |
| Tải nặng 70% | 8 km/h | Từ 0.87mm xuống 0.42mm | Giảm ~50% |
Giải pháp này cực kỳ hiệu quả khi di chuyển trên sàn có gờ giảm tốc hoặc bề mặt không bằng phẳng.
Kết luận
Với loạt cải tiến về hệ thống nhiên liệu LPG, cấu trúc ghế, giảm rung và hỗ trợ vận hành, Toyota tiếp tục khẳng định vị thế dẫn đầu trong việc nâng cao trải nghiệm người lái và tăng độ bền cho xe nâng. Những giải pháp này đặc biệt phù hợp với môi trường kho lạnh, kho container và cả các thị trường đặc thù như Úc, Nga, New Zealand.
Nếu bạn đang tìm kiếm xe nâng có hiệu suất vận hành ổn định, tiết kiệm nhiên liệu LPG và độ bền vượt trội – Toyota là lựa chọn tối ưu. Hãy liên hệ TFV để được tư vấn dòng xe và cấu hình phù hợp nhất với nhu cầu doanh nghiệp bạn.
