Trong quá trình vận hành xe nâng điện Toyota, lỗi A0-2 thường gây gián đoạn nghiêm trọng nếu không được phát hiện và khắc phục kịp thời. Lỗi này cảnh báo nhiệt độ bất thường tại mạch chính của bộ điều khiển động cơ bơm (pump motor driver). Bài viết này sẽ giúp bạn hiểu nguyên nhân, cách kiểm tra, các bước xử lý lỗi A0-2 chi tiết và biện pháp phòng ngừa hiệu quả.
1. Nguyên nhân phổ biến gây lỗi A0-2
Dưới đây là các nguyên nhân chính dẫn đến tình trạng tăng nhiệt độ bất thường tại mạch chính của driver động cơ bơm:
- 
Lỗi kết nối cáp giữa động cơ bơm và bộ điều khiển 
- 
Kết nối giắc cắm không chặt hoặc tiếp xúc kém 
- 
Dây dẫn (harness) bị hư hỏng hoặc chạm chập 
- 
Quạt tản nhiệt bị kẹt, bụi bẩn hoặc hỏng 
- 
Bộ điều khiển quạt làm mát không hoạt động 
- 
Xe nâng vận hành quá tải liên tục 
- 
Hỏng driver động cơ bơm 
- 
Hỏng main controller 
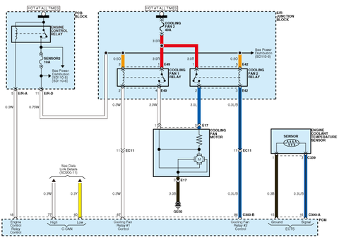
2. Sơ đồ kết nối liên quan đến hệ thống làm mát và đo nhiệt độ

Sơ đồ kết nối hệ thống làm mát và cảm biến nhiệt độ
- 
Main controller kết nối đến các quạt làm mát thông qua cổng CN102, CN104. 
- 
Hai quạt tản nhiệt được điều khiển qua CN112 và CN113. 
- 
Cảm biến nhiệt độ gắn tại pump motor driver gửi tín hiệu về để phát hiện lỗi A0-2. 
3. Quy trình kiểm tra và xử lý lỗi A0-2

Sơ đồ mạch làm mát Cooling Fan Circuit Diagram
Quy trình xử lý lỗi được chia thành các bước kiểm tra tuần tự như sau:
3.1 Bước 1 – Kiểm tra quạt làm mát
Thao tác:
- 
Kích hoạt ACTIVE TEST để bật quạt làm mát và quan sát quạt có quay không. 
Phán đoán:
| Kết quả | Hành động tiếp theo | 
|---|---|
| Quạt không quay | Chuyển sang bước 5 | 
| Quạt quay | Chuyển sang bước 2 | 
3.2 Bước 2 – Kiểm tra lại lỗi trên màn hình
Thao tác:
- 
Bật khóa điện (key switch ON) 
- 
Kiểm tra lại màn hình hiển thị lỗi "PCR" 
Phán đoán:
| Kết quả | Hành động tiếp theo | 
|---|---|
| “PCR” hiển thị | Chuyển sang bước 3 | 
| Không hiển thị | Lỗi quá nhiệt do vận hành quá tải. Kiểm tra điều kiện làm việc, giảm tải, tiếp tục sử dụng | 
3.3 Bước 3 – Ghi nhận và so sánh nhiệt độ
Thao tác:
- 
Đọc giá trị nhiệt độ mạch chính driver bơm tại mục: [ANL] I/O TEMP/VOLT 2/5Giá trị: TPMDH 
- 
Tắt xe, để nguội khoảng 15 phút → Bật lại khóa điện → Kiểm tra lỗi còn hay không. 
Phán đoán:
| Kết quả | Hành động tiếp theo | 
|---|---|
| “PCR” hiển thị | Chuyển sang bước 4 | 
| Không hiển thị | Lỗi quá nhiệt do sử dụng quá tải, tiếp tục sử dụng bình thường | 
3.4 Bước 4 – So sánh nhiệt độ đo lại
Thao tác:
- 
So sánh nhiệt độ hiện tại với giá trị đã ghi ban đầu trong bước 3. 
Phán đoán:
| Kết quả | Hành động tiếp theo | 
|---|---|
| Nhiệt tăng ≥5°C | Quay lại bước 3 để xác minh | 
| Nhiệt tăng <5°C | Kết luận: Hỏng pump motor driver | 
3.5 Bước 5 – Kiểm tra giắc kết nối
Thao tác:
- 
Tắt khóa điện, ngắt pin 
- 
Kiểm tra trực quan CN112 và CN113 
- 
Cắm lại, kiểm tra quạt bằng ACTIVE TEST 
Phán đoán:
| Kết quả | Hành động tiếp theo | 
|---|---|
| Quạt quay | Kết luận: Lỗi do giắc kết nối | 
| Quạt không quay | Tiếp tục bước 6 | 
3.6 Bước 6 – Kiểm tra dây dẫn (Harness)
Thao tác:
- 
Ngắt pin, tháo các giắc CN102, CN104, CN112, CN113 
- 
Dùng đồng hồ đo thông mạch và đo chạm chập 
Chuẩn đoán theo bảng đo:
| Cặp điểm đo | Yêu cầu | 
|---|---|
| CN102-1 → CN112-2 | Liên tục (Continuity) | 
| CN102-1 → CN113-2 | Liên tục | 
| CN104-3 → CN112-1 | Liên tục | 
| CN104-3 → CN113-1 | Liên tục | 
| CN102-1 → CN104-3 | Không liên tục (No continuity) | 
Phán đoán:
| Kết quả | Hành động tiếp theo | 
|---|---|
| NG | Kết luận: Lỗi dây dẫn | 
| OK | Chuyển sang bước 7 | 
Phán đoán:
| Kết quả | Kết luận | 
|---|---|
| Quạt quay | Lỗi kết nối giắc hoặc tạm thời | 
| Quạt không quay | Quạt hỏng → Thay quạt. Nếu không hiệu quả → Thay main controller | 
3.7 Bước 7 – Kiểm tra quạt làm mát
Thao tác:
- 
Lắp lại các giắc, bật khóa điện 
- 
Dùng ACTIVE TEST bật quạt và kiểm tra hoạt động 
Phán đoán:
| Kết quả | Kết luận | 
|---|---|
| Quạt quay | Lỗi kết nối giắc hoặc tạm thời | 
| Quạt không quay | Quạt hỏng → Thay quạt. Nếu không hiệu quả → Thay main controller | 
4. Kết luận và khuyến nghị
Lỗi A0-2 không đơn thuần là một cảnh báo nhiệt độ mà là tín hiệu cho thấy hệ thống đang chịu áp lực vượt ngưỡng cho phép. Việc chậm trễ xử lý có thể dẫn đến hỏng hóc nghiêm trọng như cháy driver, ngừng vận hành quạt làm mát hoặc ảnh hưởng đến bo mạch chính.
Để tránh điều đó, người vận hành cần:
- 
Hiểu rõ nguyên nhân cốt lõi: từ dây dẫn, giắc kết nối đến chế độ vận hành liên tục gây quá tải. 
- 
Chủ động kiểm tra định kỳ: hệ thống làm mát, quạt, cảm biến và cả driver bơm. 
- 
Tối ưu hóa cách sử dụng xe: tránh chạy liên tục quá lâu dưới tải nặng mà không cho máy “nghỉ”. 
Tại TFV không chỉ cung cấp thiết bị chính hãng mà còn là đối tác kỹ thuật đồng hành cùng doanh nghiệp. Nếu xe nâng của bạn liên tục gặp lỗi A0-2 hoặc cần bảo trì hệ thống điện – làm mát, hãy để đội ngũ kỹ sư của TFV hỗ trợ chuyên sâu, nhanh chóng và hiệu quả
 
					
						
 
			